Torque drive
Direct drive type LTD
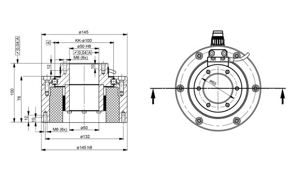
609818
Material C45N (optionally aluminium)
Operating temperature -10 °C to +80 °C
Mounting position Any
Lubricant With bearing grease via grease nipple
Options Absolute measuring system, axial cable outlet, control units incl. cables, water-cooling
| Accuracy | |
| Speed | |
| Ø-Range | |
| Price |
My contacts for this product
Your local contact
프랑케 코리아 (Franke Korea)
인천시 남동구 청능대로468번길 97-32
Cheongneung-daero 468beon-gil,
Namdong-gu, Incheon, Republic of Korea (zip code: 21686)
Tel.: +82 32 424 7939
sales@franke-korea.com





